google-site-verification: google8bfc29e5d5330db8.html google8bfc29e5d5330db8.html
Close

Site Information

  • Image 1

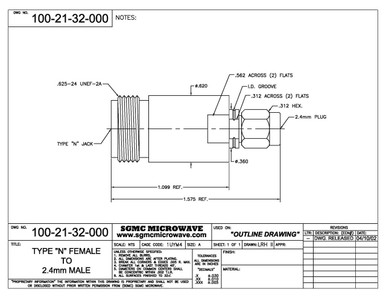
100-21-32-000: N FEMALE TO 2.4mm MALE (BETWEEN-SERIES ADAPTER)

Part Number:
100-21-32-000
Weight:
0.00 Ounces
Quantity:

THIS IS ONLY AN RFQ (REQUEST FOR QUOTATION) AND IS NOT AN ORDER. YOU WILL NOT BE BILLED FOR ANYTHING UPON RFQ SUBMITTAL. YOU WILL BE CONTACTED WITH A QUOTE AS SOON AS YOUR RFQ IS PROCESSED.

Product Description and Drawings Below

100-21-32-000 OUTLINE DWG  N FEMALE TO 2.4mm MALE (BETWEEN-SERIES ADAPTER)

 

Find Similar Products by Category