- Home
- 2.92mm (DC to 40 GHz)
- RECEPTACLES
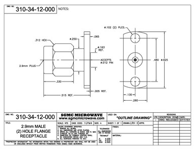
- 310-34-10-000: 2.92mm MALE (2) HOLE FLANGE RECEPTACLE (ACCEPTS .012" DIA PIN)
310-34-10-000: 2.92mm MALE (2) HOLE FLANGE RECEPTACLE (ACCEPTS .012" DIA PIN)
Product Description and Drawings Below
310-34-12-000 OUTLINE DWG 2.92mm MALE (2) HOLE FLANGE RECEPTACLE (ACCEPTS .012" DIA PIN)
Loading... Please wait...




