- Home
- 2.4mm (DC to 50 GHz)
- RECEPTACLES
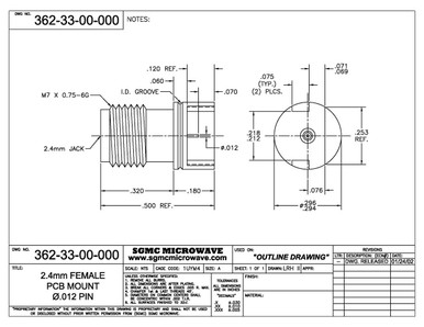
- 362-33-00-000: 2.4mm FEMALE PCB EDGE MOUNT / .012" DIA PIN (.062" BOARD THICKNESS)
362-33-00-000: 2.4mm FEMALE PCB EDGE MOUNT / .012" DIA PIN (.062" BOARD THICKNESS)
Product Description and Drawings Below
362-33-00-000 OUTLINE DWG 2.4mm FEMALE PCB EDGE MOUNT / .012" DIA PIN (.062" BOARD THICKNESS)
Loading... Please wait...





